F類 腳墊&腳座( Feet&Seats)

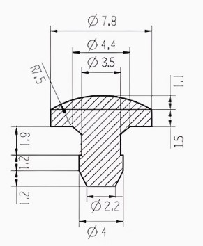
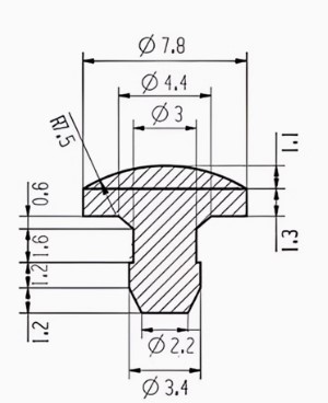
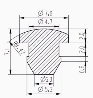
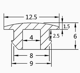
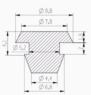
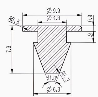
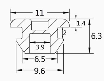
F605 矽膠孔塞

F605 矽膠孔塞

商品編號:25A030002

產品規格 商品討論


                                                                  

上一則   |   回上頁   |   下一則



會員登入
帳號
密碼

忘記密碼? 註冊